販売情報
画面をスクロールすると販売情報が更新されます。
最終更新:
最安値ショップ
最安値ショッピングサイト
実質価格ランキング
商品情報



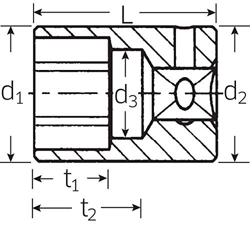
●サイズ(mm):3.0●全長(mm):23●ソケット部外径(d1;mm):5.6●差し込み部外径(d2;mm):10.7●ソケット奥内径(d3;mm):2.5●ボルト接触部内面奥行き(t1;mm):2●最大奥行き(t2;mm):15●質量(g):7 ●AS-drive(面接触)で、より高品質なHPQシリーズの1/4”SQソケット。●6角タイプ。
| JANコード | 4018754194179 |
|---|---|
| 型番 | 01010003 |
| 高さ | 1.1cm |
| 長さ | 1.1cm |
| 幅 | 2.3cm |
| 重さ | 7g |
| メーカー | スタビレー |
| ブランド | スタビレー |









